????

?? ????
Технологии
Подшипник
Рабочее колесо
Прямой привод
Комплектация воздуходувки
Контроллер
Подшипник
Рабочее колесо
Прямой привод
Контроллер

Комплектация воздуходувки

Контроллер, VFD и двигатель устанавливаются в одном корпусе. Воздуходувка представляет собой простую конструкцию типа Plug&Play, которая готова к работе после подключения к трубопроводам и электропитанию.

Основные компоненты

Низкий уровень шума и вибрации

Уровень шума

В корпусе применена высокоэффективная звукоизоляция, предназначенная для эффективного гашения высокочастотного шума, создаваемого на входе в воздуходувку.

Низкая вибрация

Бесконтактный воздушный подшипник значительно снижает вибрацию.
Поскольку влияние вибрации незначительно, установка дополнительных антивибрационных или анкерных болтов не требуется.
Требуются только простые работы по выравниванию.

Простота в обслуживании

Простое обслуживание

Требуется только регулярная замена входного фильтра. Замена масла и запасных частей не требуется

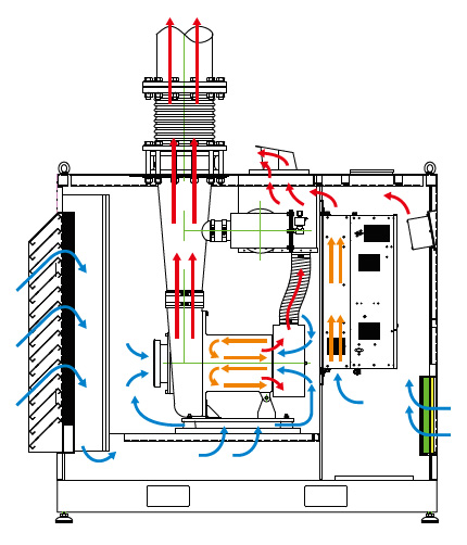
Система безмасляного охлаждения

Система самоохлаждения, использующая всасываемый воздух для охлаждения двигателя и частотно-регулируемого привода. Отсутствие отдельного охлаждающего вентилятора снижает затраты на техническое обслуживание и электроэнергию. Эффективное охлаждение двигателя с помощью вентилятора, соединенного с валом двигателя, патент № 10-0675821 «Конструкция охлаждения для турбомашин с высокоскоростными двигателями».

Офис: Беларусь, г. Минск,
ул. Амураторская, 4, каб.214.
Тел.: +375 17 272-08-06
A1: +375 44 794 40 21

Время работы:
ПН-ЧТ с 9.00 до 17.00
ПТ с 9.00 до 16.00

Компания ООО «БелПрагма» является официальным дилером компании «TurboMax Co., Ltd. » в Республике Беларусь.